Ticker

6/recent/ticker-posts

Advertisement

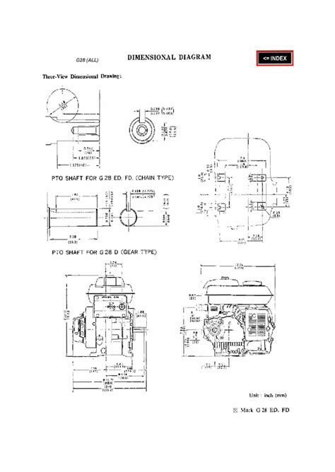
PDF Honda G28 Horizontal Shaft Engine Repair Manual

Presently you are looking regarding an Honda G28 Horizontal Shaft Engine Repair Manual example that will we provide here inside some type of document formats such as PDF, Doc, Energy Point, as well as images that will will make it easier for you to create an Honda G28 Horizontal Shaft Engine Repair Manual yourself. For a clearer look, you are able to open a few examples below. All of the good examples about Honda G28 Horizontal Shaft Engine Repair Manual with this website, we get from many sources so you could create a better record of your own.

If the search you obtain here does not complement what you are looking for, please utilize the lookup feature that we have provided here. You are free to download anything that we provide in this article, investment decision you won't cost you the slightest.

DOWNLOAD HERE

Everybody knows that reading Honda G28 Horizontal Shaft Engine Repair Manual is helpful, because we could get a lot of information from your reading materials. Technology has developed, and reading Honda G28 Horizontal Shaft Engine Repair Manual books could be far easier and easier. We can easily read books on the mobile, tablets and Kindle, etc. Hence, there are many books getting into PDF format.

Several websites for downloading free PDF books to acquire just as much knowledge as you wish. Today everybody, young and old, should familiarize themselves with the growing eBook industry. Ebooks and eBook readers provide substantial benefits over traditional reading. Ebooks slice down on the make use of of paper, as recommended by environmental enthusiasts. Presently there are no fixed timings for study. There is usually no question of waiting-time for new editions. Presently there is no transportation in order to the eBook shop. The particular books in an eBook shop can be downloaded quickly, sometimes for free, at times for any fee.

Not simply that, the online edition of books are generally cheap, because publication houses save their print in addition to paper machinery, the advantages of which are given to to customers. Further, the reach of the e-book shop is immense, allowing a person living in Australia to source out in order to a publication house inside Chicago. The newest phenomenon in the online e-book world is exactly what are called eBook libraries, or e-book packages. An eBook bundle is something remarkable. This consists of a large number of ebooks included together that are not easily available at one single place. So instead of hunting down and acquiring, say 100 literary classics, you can buy an eBook bundle which contains all these kinds of ebooks bundled together. These eBook libraries typically offer you a substantial savings, in addition to are usually offered inside a number of formats to fit your brand of eBook reader. Large companies, such as Amazon or Barnes and Noble, tend to not carry these eBook your local library. If you want in order to buy one of these your local library, you will have in order to search out independent eBook shops. These independent eBook shops typically package the e-book libraries by genre, in addition to have a wide selection of genres.